

气动凸耳蝶阀产品概述
气动凸耳式蝶阀具有体积小、轻便宜人、性能可靠、配套简单、流通能力大,特别是适合于粘稠、含颗粒、纤维性质的介质场合。目前该阀门广泛应用于食品、环保、轻工、石油、造纸、化工、教学和科研设备、电力等行业的工业自动控制系统中。
气动凸耳式蝶阀技术参数和性能:
|
GTD/DA气动执行机构技术参数 |
阀 体 参 数 |
||
|
类 型 |
双作用活塞式、弹簧复位式 |
公称通径 |
DN50~1200mm |
|
气源压力 |
双作用:2-8bar/单作用:4-8bar |
公称压力 |
PN1.0、1.6MPa |
|
输出力矩 |
双作用:4N·M~10560N·M |
阀轴材质 |
碳钢、304/316/316L不锈钢 |
|
单作用:7N·M~2668N·M |
阀体材质 |
球墨铸铁、 碳钢、不锈钢 |
|
|
工作温度 |
常温型:-20℃~80℃(丁腈橡胶O型圈) |
阀板材质 |
球墨铸铁、304/316/316L不锈钢 、尼龙 |
|
高温型:-20℃~160℃(氟橡胶O型圈) |
阀座密封 |
EPDM、NBR、耐磨橡胶 |
|
|
动作范围 |
0~90°±5° |
结构形式 |
中线型 、无销型 |
|
接口螺纹 |
GTD40~GTD83/ATD50~ATD88 G1/8″ |
温度 |
EPDM≤80℃;NBR≤68℃ |
|
GTD110~GTD350/ATD100~200 G1/4″ |
适用介质 |
水、空气、天然气 |
|
|
阀位信号 |
定位器:4~20mA/回信器:全开全关信号 |
特点 |
用途广、整体造价低、流量大、流阻小 |
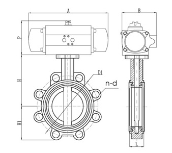
气动凸耳式蝶阀外形尺寸:
|
DN |
L |
0.6MPa |
1.0MPa |
1.6MPa |
|||
|
D2 |
n-d |
D2 |
n-d |
D2 |
n-d |
||
|
50 |
43 |
110 |
4-14 |
125 |
4-18 |
125 |
4-18 |
|
65 |
46 |
130 |
4-14 |
145 |
4-18 |
145 |
4-18 |
|
80 |
46 |
150 |
8-18 |
160 |
8-18 |
160 |
8-18 |
|
100 |
52 |
170 |
8-18 |
180 |
8-18 |
180 |
8-18 |
|
125 |
56 |
200 |
8-18 |
210 |
8-18 |
210 |
8-18 |
|
150 |
56 |
225 |
8-18 |
240 |
8-22 |
240 |
12-22 |
|
200 |
60 |
280 |
12-18 |
295 |
12-22 |
295 |
12-22 |
|
250 |
68 |
335 |
12-18 |
350 |
12-22 |
355 |
12-26 |
|
300 |
78 |
395 |
12-22 |
400 |
12-22 |
410 |
12-26 |
|
350 |
78 |
445 |
16-22 |
460 |
16-22 |
470 |
16-26 |
|
400 |
102 |
495 |
16-22 |
515 |
16-26 |
525 |
16-30 |
|
450 |
114 |
550 |
20-22 |
565 |
20-26 |
585 |
20-30 |
|
500 |
127 |
600 |
20-22 |
620 |
20-26 |
650 |
20-33 |
|
600 |
154 |
705 |
20-26 |
725 |
20-30 |
770 |
20-36 |
|
700 |
165 |
810 |
24-26 |
840 |
24-30 |
840 |
24-36 |
|
800 |
190 |
920 |
24-30 |
950 |
24-33 |
950 |
24-39 |
|
900 |
203 |
1020 |
28-30 |
1050 |
28-33 |
1050 |
28-39 |
|
1000 |
216 |
1120 |
28-30 |
1160 |
28-36 |
1170 |
28-42 |
|
1200 |
276 |
1340 |
32-33 |
1380 |
32-39 |
1390 |
32-48 |