

概述
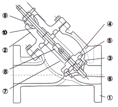
1、即使泵出口压力小也可以抬起阀辩。并使流体通过,(0 04~0 07kgf/cm2开始工作)。
2、l因停止运转而使流体的流动一性被削弱时.阀瓣受弹簧作用.而关闭阀,这样完全可以防止一般止回阀因逆流而产生的水击。
3、三台一止回阀,园其密封垫是由合成橡胶制作的,因而可以吸收关闭阀擗时所产生的冲击,并且完全密封。
闸阀(截止阀)功能
利用阀杆向下推阀瓣.贴紧阀座,完全阻止流体。一般闸阀是由金属接触,因而不可能形成完全密封,而三合一止回阀.则由于其阀瓣是由丁腈橡胶制成的,因而能完全密封。
平衡阀功能
通过用手上下调节杆调节盘的开度,可以调节流体的流量,利用指示器,可以观察阀瓣的开闭状态
主要结构尺寸
(法兰几何尺寸参照JB81—59标准)
| DN | L | H | D | D1 | D2 | |||||||
| 1.0MPa | 1.6MPa | 2.5MPa | 1.0MPa | 1.6MPa | 2.5MPa | 1.0MPa | 1.6MPa | 2.5MPa | ||||
| 50 | 205 | 293 | 165 | 165 | 165 | 125 | 125 | 125 | 4-18 | 4-18 | 4-18 | |
| 65 | 215 | 328 | 185 | 185 | 185 | 145 | 145 | 145 | 4-18 | 4-18 | 8-18 | |
| 80 | 250 | 364 | 200 | 200 | 200 | 160 | 160 | 160 | 8-18 | 8-18 | 8-18 | |
| 100 | 320 | 418 | 220 | 220 | 235 | 180 | 180 | 190 | 8-18 | 8-18 | 8-22 | |
| 125 | 365 | 481 | 250 | 250 | 270 | 210 | 210 | 220 | 8-18 | 8-18 | 8-22 | |
| 150 | 415 | 380 | 543 | 285 | 285 | 300 | 240 | 240 | 250 | 8-22 | 8-22 | 8-26 |
| 200 | 500 | 450 | 673 | 340 | 340 | 360 | 295 | 295 | 310 | 8-22 | 12-22 | 8-26 |
| 250 | 600 | 540 | 792 | 395 | 405 | 425 | 350 | 355 | 370 | 12-22 | 12-26 | 12-26 |
| 300 | 680 | 600 | 927 | 445 | 460 | 485 | 400 | 410 | 430 | 12-22 | 12-26 | 12-30 |
| 350 | 780 | 635 | 957 | 505 | 520 | 555 | 460 | 470 | 490 | 16-22 | 16-26 | 16-33 |
| 400 | 860 | 700 | 1188 | 565 | 580 | 620 | 515 | 525 | 550 | 16-26 | 16-30 | 16-36 |
| 450 | 920 | 780 | 1218 | 615 | 640 | 670 | 565 | 585 | 600 | 20-26 | 20-30 | 20-36 |
| 500 | 980 | 810 | 1256 | 670 | 715 | 730 | 620 | 650 | 660 | 20-26 | 20-33 | 20-36 |
| 600 | 1100 | 900 | 1600 | 780 | 840 | 725 | 770 | 20-30 | 20-36 | |||
| 700 | 1450 | 980 | 1750 | 895 | 910 | 840 | 840 | 24-30 | 24-36 | |||
| 800 | 1650 | 1120 | 1900 | 1015 | 1025 | 950 | 950 | 24-33 | 24-39 | |||
| 900 | 1800 | 1220 | 2100 | 1115 | 1050 | 28-33 | ||||||
| 1000 | 2000 | 1320 | 2400 | 1230 | 1160 | 28-36 | ||||||